
J'ai un petit problème concernant le nombre d'axones par neurone. Je m'explique : alors que je regardais le diapo de LM concernant les colorations (rien à voir avec le cours je sais
La prof dit que :
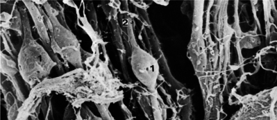
En 1
et
En 2
Or, j'ai l'impression qu'il y a deux axones qui partent du corps cellulaire ! Du coup, est-ce que c'est juste une erreur d'interprétation de ma part (peut être que c'est l'axone d'un côté et une dendrite de l'autre), ou est-ce qu'il existe des neurones avec plusieurs axones ?
Merci d'avance !


